发布时间:2025-09-09 13:17
楼梯建筑平面图(Staircase Plan)
一、简介
在实际工程中,楼梯是使用最广泛的垂直交通设施,也是满足紧急疏散的重要交通构件。

二、楼梯的组成

楼梯结构图
楼梯主要由楼梯梯段、平台及栏杆扶手三部分组成。
三、楼梯的类型
1.按楼梯与建筑的所处的位置关系分为室内楼梯、室外楼梯;
2.按使用功能分为共用楼梯、服务楼梯、专用楼梯、专用疏散楼梯;
3.按主要承重结构承重构件部分所用材料分为钢筋混凝土楼梯、木楼梯、钢楼梯;
4.按楼梯、楼梯间形式分为开敞楼梯、敞开楼梯间、封闭楼梯间、防烟楼梯间。
四、楼梯的平面表达
楼梯的平面表达因其所处楼层的不同而有不同的表达。但有两点特别重要,首先,应当明确所谓平面图其实质上是水平的剖面图,剖切位置在楼层以上1m左右,因此平面图中会出现折断线。其次,无论是底层、中间层还是顶层楼梯平面图,都必须用箭头表明上下行的方向,而且必须从楼层平台开始标注。这里以双跑楼梯为例来说明其平面的表示方法。
根据上述原则,可以得出如下结论,底层楼梯平面图中一般只有上行梯段。顶层平面(不上屋顶的楼梯)由于其剖切位置在栏杆之上,因此图中没有折断线,所以会出现两段完整的梯段和平台。中间层平面既要画出被切断的上行梯段,还应画出该层下行的梯段,其中部分下行梯段被上行梯段遮住(投影重合),以45折断线为分界,双跑楼梯的平面表达图见下。 |

底层平面 中间层平面 顶层平面
楼梯平面的表示法
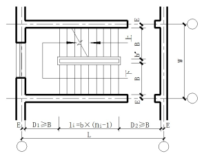
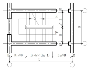
五、楼梯平面设计的常用尺寸
1. 梯段尺度

楼梯平面图
梯段尺度主要指梯段宽度(B)和梯段水平投影长度(L)。
2. 平台宽度

楼梯休息平台宽度有中间平台宽度D1和楼层平台宽度D2,为了搬运家具设备的方便和通行的顺畅,通常楼梯休息平台的最小宽度不应小于梯段净宽度。 |
3. 梯井宽度
所谓梯井,系指梯段之间形成的空挡,此空档从顶层到底层贯通。公共建筑的室内疏散楼梯两梯段扶手间的水平净距不宜小于150mm,超过200应采取防护措施。
六、楼梯设计的一般步骤
1.根据层高和初选步高h确定每层踏步数N,N=H/h。设计时尽量采用等跑梯段,N宜为偶数,以减少构件规格。若所求出N为奇数或非整数,可反过来调整步高h。
2.根据步数N和初选步宽b决定梯段水平投影长度L,L = (0.5N-1)b。
3.确定是否设梯井。如楼梯间宽度较富余,可在两梯段之间设梯井。
4.根据楼梯间开间净宽A和梯井宽C确定梯宽a,a=(A-C)/2。同时检验其通行能力是否满足紧急疏散时人流股数的要求,如不能满足,则应对梯井宽C或楼梯间开间净宽A进行调整。
5.根据初选中间平台宽D1(D1≥a)和楼层平台宽D2(D2>a)以及梯段水平投影长度L检验楼梯间进深净长度B,D1+L+D2=B。如不能满足,可对L值进行调整(即调整b值)。必要时,则需调整B值。在B值一定的情况下,如尺寸有富裕,一般可加宽b值以减缓坡度或加宽D2值以利于楼层平台分配人流。在装配式楼梯中,D1和D2值的确定尚需注意使其符合 预制板安放尺寸,并减少异形规格板数量。
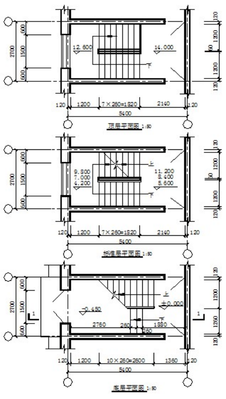
七、楼梯设计实例
