工程训练中心】A-TM0019牛腿

发布时间:2025-09-09 13:26

牛腿(Bracket)

一、简介

牛腿是在刚架柱上设置的悬臂构件,当门式刚架轻型房屋内设有吊车时,牛腿用来支撑吊车梁。

二、设计要点

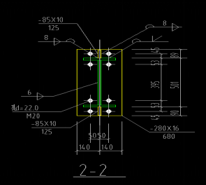
牛腿一般采用焊接工字形截面短梁,与刚架柱焊接连接。牛腿根部尺寸可根据剪力和弯矩确定。一般可认为弯矩由根部的上、下翼缘板承担。牛腿可采用等截面,也可采用变截面;当采用变截面牛腿时,端部截面高度不宜小于根部高度的1/2。

 

牛腿

实训中心刚架柱上的牛腿

 

牛腿详图1                             牛腿详图2